ОПИС ВИРОБУ:
Система аварійної сигналізації DOL 2400/DOL 2300 здебільшого використовується для відстеження роботи вентиляції у тваринницьких і птахівничих приміщеннях, при цьому DOL 2400 може контролювати показання температури до 20 секцій. Система також використовується для подачі сигналів тривоги в разі збою обладнання або виникнення інших аварійних ситуацій, наприклад пожежі. Також можна налаштувати систему спостереження, щоб запобігти проникненню несанкціонованих відвідувачів у тваринницькі приміщення.
Система DOL 2400 записує до єдиного журналу всі події, наприклад, сигнали тривоги та службові дані, які можна використовувати для аналізу та статистики. DOL 2300 є спрощеною модифікацією DOL 2400. DOL 2300, на відміну від DOL 2400, має тільки входи вмикання/вимикання, і не має виходів і функції резервного контролю за кліматом.
Система аварійної сигналізації складається з блоку аварійної сигналізації DOL 2400/DOL 2300, джерел вхідного сигналу (датчики і комп'ютери) і аварійних індикаторів, таких як сирени або лампи аварійної сигналізації. Блок аварійної сигналізації доступний у двох модифікаціях, зі зчитувачем відбитків пальців або без, а також у двох версіях розмірів, з 10-ма або 20-ма входами. DOL 2400/DOL 2300 може здійснити телефонний виклик і описати сигнали тривоги голосовим повідомленням, або відправити сигнали тривоги SMS-повідомленням.
Користувач так само може зателефонувати або надіслати SMS на модуль, щоб отримати інформацію про статус сигналу тривоги. Опція SMS-повідомлення доступна в моделях, оснащених вбудованим GSM-модемом. Додатково є модем фіксованої лінії для регіонів зі слабким сигналом мобільного зв'язку.
Додатково поставляється короб розширення з 10 входами. До одного блоку аварійної сигналізації можна під'єднати до дев'яти коробів розширення. Помістіть короб розширення в безпосередній близькості від блоку аварійної сигналізації.
Іншою можливістю розширення також є використання DOL 2400/2300 як веденого модуля. Це можна виконати в локальній мережі LAN і особливо корисно, коли система сигналізації охоплює велику географічну зону. В одній системі можна використовувати до дев'яти ведених пристроїв.

Моніторинг
- Температура, вологість, порожній бункер, витрата води, пожежа, тощо (DOL 2400)
- Удосконалена система моніторингу температури, яка враховує зовнішню температуру (DOL 2400).
- Шляхом забезпечення доступу за допомогою входу в систему.
- Власне живлення та живлення від акумуляторної батареї.
- Під'єднання до зовнішніх пристроїв сигналізації.
Сигнали тривоги
- Вибір типу сигналу тривоги: основні сигнали, беззвучні сигнали та беззвучні сигнали вночі
- Профілі сигналів тривоги.
- Внутрішні: сирена, лампа аварійної сигналізації, динамік.
- Зовнішні: телефонні дзвінки та SMS-повідомлення.
Керування користувачами та безпека
- Зчитувач відбитків пальців
- 6-значний PIN-код.
- Безпечна ідентифікація користувачів.
- Журнал технічного обслуговування.
- Централізоване керування користувачами.
Огляд та історія
- Журнал реєстрації всіх подій упродовж одного року.
- Графічне відтворення даних вимірювань за 30 днів.
- Запис звуку під час увімкнення сигналізації.
- Доступ до відтворення потокового відео камери під час сигналу тривоги
Технічні характеристики
- Інтуїтивний сенсорний екран із легкодоступними меню.
- Голосові сигнали тривоги.
- Активація SMS-повідомлень виходу, наприклад, для вентилятора аварійної вентиляції, до 9 модулів розширення.
- Настроювання пристрою за типом ведучий/відомий.
- Можливість увімкнення резервної вентиляції або іншого обладнання у разі спрацьовування сигналізації (DOL 2400).
- Батарея, контрольована блоком аварійної сигналізації.

Опис продукту:
GSM- модем призначений для блока аварійної сигналізації DOL 2400 або DOL 2300
Посібник з монтажу:
- Електричне під'єднання
Монтаж, обслуговування й усунення несправностей електрообладнання мають здійснюватися компетентним персоналом відповідно до чинних національних стандартів (EN 60204-1) та інших стандартів ЄС.
Кожне джерело живлення має мати роз'єднувач ланцюга живлення для зневоднення електрообладнання. Роз'єднувач ланцюга живлення компанією SKOV A/S не постачається.
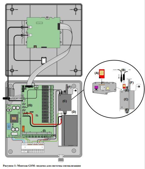
- Монтаж GSM-модема для системи сигналізації
1) Вимкніть блок аварійної сигналізації DOL 2400/DOL 2300 від мережі живлення.
2) Відкрутіть гвинти, що утримують передню панель.
3) Вимкніть один із дротів акумуляторної батареї (J).
4) Вимкніть кабель живлення USB-кабель (B).
5) Від'єднайте GSM-модем (C) за допомогою двох гвинтів М4 (E).
6) Вставте SIM-картку (A) або переставте SIM-картку зі старого GSM-модема (A).
7) Під'єднайте кабель живлення й USB-кабель (B).
8) Закріпіть GSM-модем у блоці аварійної сигналізації DOL 2400 (C) на відсіку для батареї (D) за допомогою двох гвинтів М4 (Е).
9) Встановіть антену (F).
10) За допомогою USB-кабелю (G) під'єднайте GSM-модем (C) до лівого USB-роз'єму основного модуля.
11) За допомогою кабелю (H) під'єднайте GSM-модем (C) до лівої вхідної клеми основного модуля (I), білий дріт до клемі X22, чорний дріт до клемі Х25, і червоний дріт до +24 В.
12) Під'єднайте дріт акумуляторної батареї (J).
13) Закрутіть гвинти передньої панелі.
14) Під'єднайте блок аварійної сигналізації DOL 2400/DOL 2300 до мережі живлення.
15) Якщо SIM-карта нова, введіть PIN-код SIM-картки та номери телефонів, з якими DOL 2400/DOL 2300 зможе зв'язуватися в разі сигналу тривоги, див. розділ Телефон у технічному посібнику користувача.
16) Перевірте, що GSM-модем для системи сигналізації функціонує правильно.
- Ціна: Ціну уточнюйте

Відправка з 12 квітня 2026